Штуцера ввертные с накидной гайкой предназначены для надежного соединения трубопроводов в гидравлических и пневматических системах промышленного оборудования. Они обеспечивают герметичное подключение гибких рукавов к стационарным линиям, что делает их незаменимыми в машиностроении, станкостроении и других отраслях.
Использование данных комплектующих позволяет быстро осуществлять монтаж и демонтаж соединений без применения специального инструмента, что значительно сокращает время обслуживания и ремонта систем. Это повышает эффективность и снижает эксплуатационные затраты предприятий.
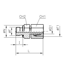
Мы предлагаем качественные изделия, такие как Штуцер ввертный с уплотнением (ш-г) TN126 GG-M и Штуцер ввертный с уплотнением (ш-г) Гайка-штифтованная TN426 M, изготовленные из прочных материалов, обеспечивающих стойкость к высокому давлению и вибрациям.
Доступны различные типоразмеры и конфигурации для решения любых технических задач. Оформите заказ онлайн для юридических лиц с безналичным расчетом и получите доставку по всей Беларуси.
