- НаличиеВ наличии
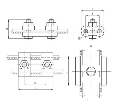
Плашечные зажимы типа ПС предназначены для крепления проводов к траверсам опор воздушных линий электропередачи (ЛЭП). Они обеспечивают надежную и безопасную фиксацию, предотвращая соскальзывание и повреждение проводов, что является критически важным для бесперебойной работы энергосистем.
Использование зажимов ПС позволяет значительно упростить и ускорить монтажные работы, обеспечивая при этом долговечность и устойчивость конструкции к воздействию внешних факторов. Это прямо влияет на снижение эксплуатационных расходов и повышение надежности всей линии.
Изделия изготавливаются из высококачественной стали, обладают антикоррозионным покрытием и рассчитаны на длительную эксплуатацию в самых суровых условиях. Доступные варианты, такие как ПС-1-1, ПС-2-1 и ПС-3-1, различаются по массе (0,373 кг, 0,42 кг, 0,75 кг) и диаметру захвата провода, что позволяет подобрать оптимальное решение для любого проекта.
Мы предлагаем широкий выбор моделей для проводов различного диаметра, от 5,5 мм до 14 мм. Оформите онлайн-заказ для юридических лиц с безналичным расчетом, запросите коммерческое предложение и воспользуйтесь услугой доставки по Жлобину и Беларуси.
Нет отзывов об этом товаре.
Пока нет вопросов об этом товаре. Станьте первым!
