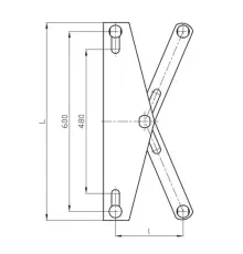
Коромысла – это ответственные детали грузоподъёмного оборудования, используемые в системах балансировки и подвеса грузов. Они находят применение в крановом хозяйстве, металлургической, машиностроительной и строительной отраслях для обеспечения безопасного и эффективного перемещения тяжестей.
Использование качественных коромысел позволяет равномерно распределить нагрузку на стропы, значительно повысив безопасность проведения такелажных и погрузочно-разгрузочных работ. Это снижает риск перекоса и падения груза, защищая персонал и материальные ценности.
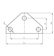
Мы предлагаем коромысла, изготовленные в строгом соответствии с ГОСТ и ТУ из высокопрочных марок стали. Все изделия проходят контроль качества, что гарантирует их надёжность, точность геометрии и длительный срок службы даже при интенсивных нагрузках.
В ассортименте представлены все основные типы: лучевые коромысла КЛ и КУ, модели типа 2К, 2КД2, 2КЛ, 2КУ, 3КБ, 3КД2, 4КД2-25-1, К2 и КТ3-7-1. Это позволяет подобрать оптимальное решение для любой технической задачи и грузоподъёмности.
